Log in  Create an account  Forgot your password? 
Loader
14.5.1

Wheel with pneumatic tyre on plastic rim

Wheel with pneumatic tyre on plastic rim
Wheel with pneumatic tyre on plastic rim
Wheel with pneumatic tyre on plastic rim
Wheel with pneumatic tyre on plastic rim
Wheel with pneumatic tyre on plastic rim
Wheel with pneumatic tyre on plastic rim
Wheel with pneumatic tyre on plastic rim
Wheel with pneumatic tyre on plastic rim
Wheel with pneumatic tyre on plastic rim
Wheel with pneumatic tyre on plastic rimdrawing_1
Product information
  • Wheels with a pneumatic tyre on a red plastic rim with integral hub are available with a 3.00-4 2 Ply tyre
  • Block profile tyre tread
  • Hub with roller bearing
  • Maximum static load capacity of 70kg at 10 km/h and 2.1 bars pressure
  • The pneumatic tyre absorbs impacts and dampens vibration
  • Versatile range of use, including rough terrain with obstacles and bumps

Material & colour
  • Tyre and inner tube: PU (polyurethane) - black
  • Rim with hub: PP (polypropylene) – red RAL 3020
  • Roller bearing: steel with plastic cage

Models
Type B: Wheel with roller bearing

Legend
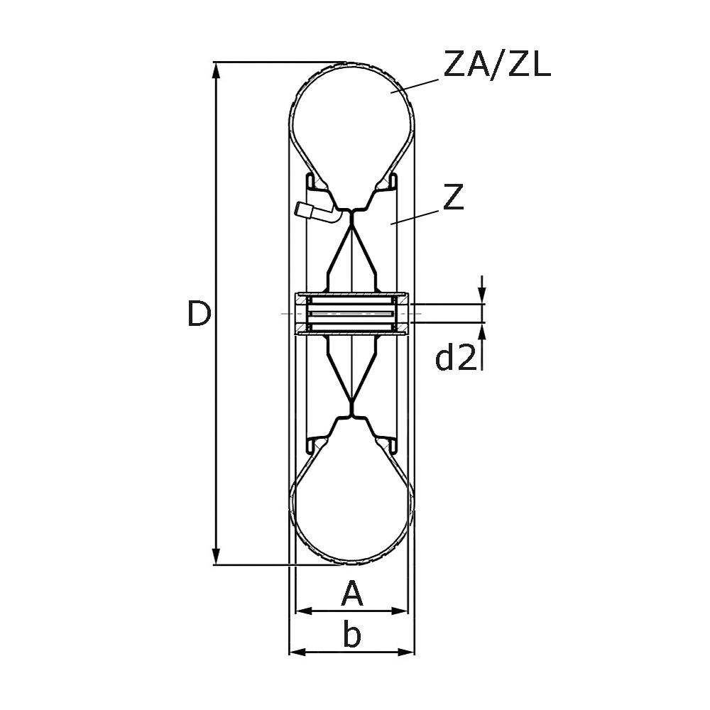
A=hub length, b=tyre width in mm, D=Øwheel in mm, d2=Ø-shaft bore, K=maximum static load capacity in kg at 10 km/h, Type=bearing type, Model=profile tyre, Z=rim size (Ø x width), ZA=tyre size in inches

1 pages -   1  

Article Description d2 Bearing type Tread type Castor type A D
33.L4.6220.111.02 Tire mounted on rim (red) with hub 3.00x4 2PR, 20mm 20 Roller bearing Pneumatic tyre Spare wheel 75 256
33.L4.6225.111.02 Tire mounted on rim (red) with hub 3.00x4 2PR, 25mm 25 Roller bearing Pneumatic tyre Spare wheel 75 256

1 pages -   1  

Paypal  IBAN  Maestro  mastercard  Visa  American Express  iDeal  Bancontact  Bancontact  Bancontact  Bancontact  Giropay  Sofort banking  Verzending net DPD