Log in  Create an account  Forgot your password? 
Loader
13.7.2

Indexing plungers with hexagonal bond – steel – with Locking rest position

Indexing plungers with hexagonal bond – steel – with Locking rest position
Indexing plungers with hexagonal bond – steel – with Locking rest position
Indexing plungers with hexagonal bond – steel – with Locking rest position
Indexing plungers with hexagonal bond – steel – with Locking rest position
Indexing plungers with hexagonal bond – steel – with Locking rest position
Indexing plungers with hexagonal bond – steel – with Locking rest position
Indexing plungers with hexagonal bond – steel – with Locking rest position
Indexing plungers with hexagonal bond – steel – with Locking rest positiondrawing_1
Product information
  • Indexing plungers mit hexagonal collar and lock nut are available with full fine threaded body of M8x1 up to M20x1,5 inclusive
  • Model with locking rest position
  • Hardened (grade 5.8) plunger of Ø4mm up to Ø10mm inclusive
  • Spring operated plunger
  • Metal parts with black oxide finish
  • Plastic Knob
  • Indexing plungers are used for indexing, aligning, holding or latching parts on which side forces are applied, like in machines, installations, vihicles and furniture.

Material: Knob – PA (Polyamid), Metal parts – blackenend steel, Plunger – hardened (grade 5.8) blackened steel
Colour: black

Available on request:
  • Other sizes and plunger lengths
  • Metal parts in stainless steel

Legend
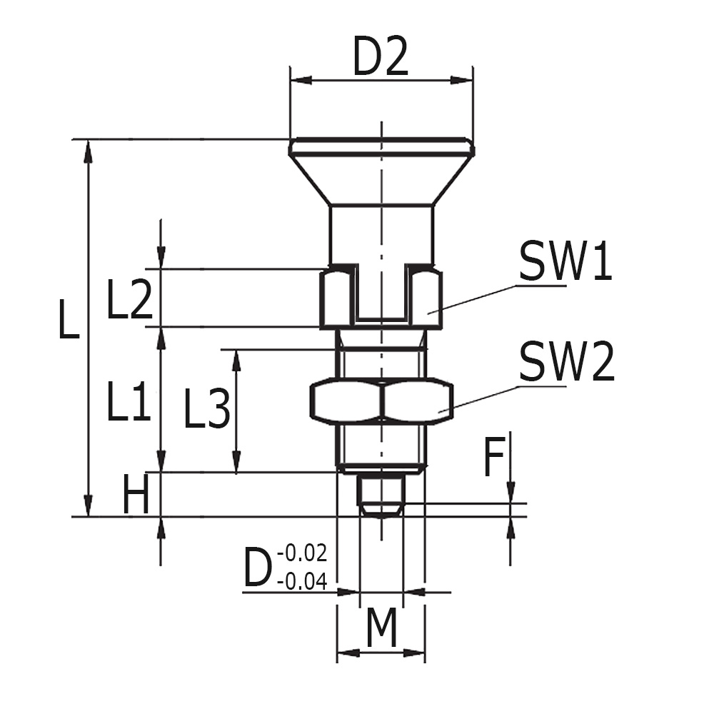
D=Ø-Plunger, D2=Ø-Knob, F=Height Plungerfacet, F1=Spring force initial in Newton, F2=Spring force final in Newton, H=Plungerlength, L=Total length, L1=Length, L2=Height hexagonal bond, L3=Length thread, M=Threadsize (metric fine), SW1=Spannerwidth collar, SW2=Spannerwidth lock nut

Filter by
1 pages -   1  

Article Description M D H F L L1
381180804 Indexing plungers, knob 18mm, M8x1 - pin 4mm - locking rest position M 8x1 4 4 1 38,5 15
381211005 Indexing plungers, knob 21mm, M10x1 - pin 5mm - locking rest position M10x1 5 5 1,3 43,5 17
381251206 Indexing plungers, knob 25mm, M12x1,5 - pin 6mm - locking rest position M12x1,5 6 6 1,8 51,7 20
381331608 Indexing plungers, knob 33mm, M16x1,5 - pin 8mm - locking rest position M16x1,5 8 8 2,3 68 26
381332010 Indexing plungers, knob 33mm, M20x1,5 - pin 10mm - locking rest position M20x1,5 10 10 2,8 74 28

1 pages -   1  

Paypal  IBAN  Maestro  mastercard  Visa  American Express  iDeal  Bancontact  Bancontact  Bancontact  Bancontact  Giropay  Sofort banking  Verzending net DPD