Log in  Create an account  Forgot your password? 
Loader
9.2.25

Finishing washer domed anti-loss - counterbore

Finishing washer domed anti-loss - counterbore
Finishing washer domed anti-loss - counterbore
Finishing washer domed anti-loss - counterbore
Finishing washer domed anti-loss - counterbore
Finishing washer domed anti-loss - counterbore
Finishing washer domed anti-loss - counterboredrawing_1
Productinformatie
  • Vlakke kunststof sluitringen zijn leverbaar voor boutmaten M2.3 tot en met M40
  • Conform DIN 125 / ISO 7089
  • Goede chemische bestendigheid, waaronder tegen de meest voorkomende oplosmiddelen, oliën, vetten, benzine etc.
  • Polyamide (Nylon) sluitringen, ook wel revetten of onderlegringen genoemd, voorkomen schade aan constructies en oppervlakken tijdens aandraaien en zorgen voor een betere krachtverdeling van een verbinding over een groter oppervlak. Tevens in zekere mate trilling- en geluidreducerend.

Materiaal: PA (Polyamide)
Kleur: naturel of zwart

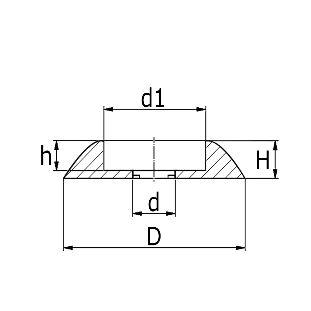
Legend
D=outside Ø, d=Ø bore, d1=Ø-countersunk H=overall height, h=height, M=suitable for metric thread

Filter by
1 pages -   1  

Article Description M D d d1 H h
89.G03140.04 Finishing washer domed anti-loss counterbore PA M3 14 X 2.8 - Black M 3 14 3,2 5,5 2,8 1,7
89.G04160.04 Finishing washer domed anti-loss counterbore PA M4 16 X 3.5 - Black M 4 16 4,3 7 3,5 2,3
89.G05180.04 Finishing washer domed anti-loss counterbore PA M5 18 X 4 - Black M 5 18 5,3 8,5 4 2,7
89.G06220.04 Finishing washer domed anti-loss counterbore PA M6 22 X 4.9 - Black M 6 22 6,4 10 4,9 3,5

1 pages -   1  

Paypal  IBAN  Maestro  mastercard  Visa  American Express  iDeal  Bancontact  Bancontact  Bancontact  Bancontact  Giropay  Sofort banking  Verzending net DPD