Log in  Create an account  Forgot your password? 
Loader
9.6.11

Plastic coach bolt - DIN 603

Plastic coach bolt - DIN 603
Plastic coach bolt - DIN 603
Plastic coach bolt - DIN 603
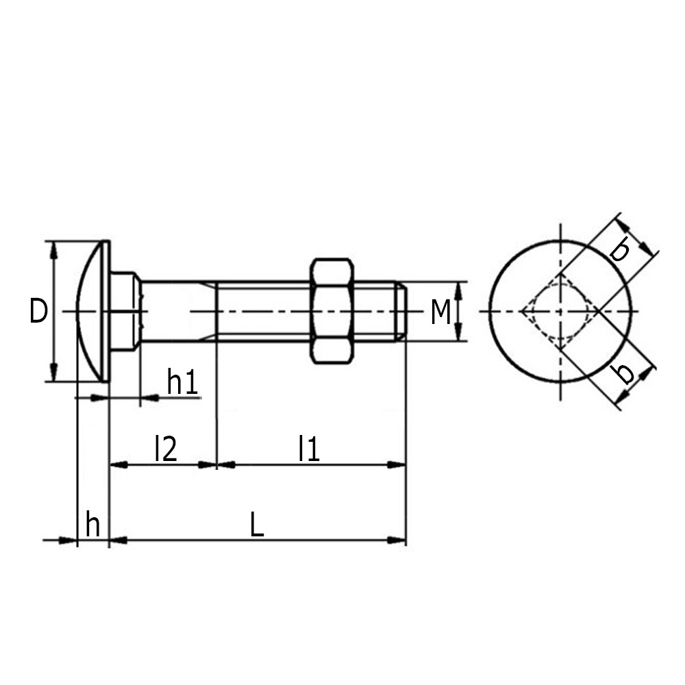
Plastic coach bolt - DIN 603drawing_1
Product information
  • Plastic coach bolts, also referred to as nylon carriage bolts or cups square bolts, are available in M6 and M8
  • Available in lengths from 16 mm to 80 mm inclusive
  • To DIN 603, ISO ˜8677, NF E 27-351
  • Smooth broad, shallow domed head
  • The square neck under the head prevents the bolt from revolving during tightening or loosening
  • Impact-resistant, lightweight and rust free
  • Good chemical resistance, also to oil and grease
  • Plastic coach bolts or carriage bolts are ideal for fastening and assembly applications.

Material: PA 6.6 (polyamide)
Colour: natural

Available on request:
  • With different thread sizes and thread lengths

Legend
b=width square neck, D=Ø-head, h=head height, h1=height square neck, L=bolt length, l1=thread length, l2=neck-length, M=thread size

Filter by
1 pages -   1  

Article Description l1 L M B D H
88.Z06016.01 Plastic coach bolt - PA - M6 x 16 12 16 M 6 6 16 4
88.Z06020.01 Plastic coach bolt - PA - M6 x 20 16 20 M 6 6 16 4
88.Z06024.01 Plastic coach bolt - PA - M6 x 24 20 24 M 6 6 16 4
88.Z06034.01 Plastic coach bolt - PA - M6 x 34 30 34 M 6 6 16 4
88.Z06044.01 Plastic coach bolt - PA - M6 x 44 40 44 M 6 6 16 4
88.Z06049.01 Plastic coach bolt - PA - M6 x 49 45 49 M 6 6 16 4
88.Z08016.01 Plastic coach bolt - PA - M8 x 16 11 16 M 8 8 19 5
88.Z08020.01 Plastic coach bolt - PA - M8 x 20 15 20 M 8 8 19 5
88.Z08025.01 Plastic coach bolt - PA - M8 x 25 20 25 M 8 8 19 5
88.Z08030.01 Plastic coach bolt - PA - M8 x 30 25 30 M 8 8 19 5
88.Z08035.01 Plastic coach bolt - PA - M8 x 35 30 35 M 8 8 19 5
88.Z08040.04 Plastic coach bolt - PA - M8 x 40 - black 35 40 M 8 8 19 5
88.Z08080.01 Plastic coach bolt - PA - M8 x 80 75 80 M 8 8 19 5

1 pages -   1  

Paypal  IBAN  Maestro  mastercard  Visa  American Express  iDeal  Bancontact  Bancontact  Bancontact  Bancontact  Giropay  Sofort banking  Verzending net DPD